
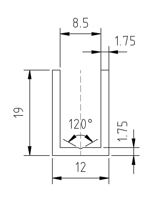
П-образный алюминиевый профиль FDPA-51.22-DEF, размером 19х12х1.75 мм для стекла 8 мм Полированный. Профиль предназначен для крепления стекол душевых кабин к полу и стенам. Опорный профиль изготовлен из высококачественного алюминия с Полированной поверхностью. В нашем ассортименте также представлены профили и заглушки с отделкой других цветов: черный матовый, полированный алюминий, золото.
Размеры:
Дополнительные комплектующие (приобретаются отдельно):
⚠ Внимание! П-образный профиль FDPA-51.22 не имеет резинового уплотнителя! Вместо уплотнителя при монтаже используется силиконовый герметик (санитарный герметик для душевых).
Причина уценки: Дефект покрытия
В компании Ав24 мы тщательно следим за качеством фурнитуры. Ряд товаров отсеивается по причине неидеального покрытия, геометрии и т.д. Преимущественно, такие дефекты не являются заводским браком, а результатом транспортировки или нахождения на витрине.
Таким товарам присваивается тип Фурнитура для стекла с дефектом и в артикуле добавляется буквенная аббревиатура DEF. Мы реализуем данный товар со скидкой 50%. Это отличный способ сэкономить! Для получения более подробной информации свяжитесь с нашим менеджером по указанным на сайте контактам. Обратите внимание, что гарантия на уцененный товар не распространяется.
Тип фурнитуры | профиль алюминиевый |
Толщина металла | 1,75 мм |
Цвет (отделка) | хром/полировка |
Материал | алюминий |
Толщина стекла | 8 мм |
Длина | 2,2 м |