
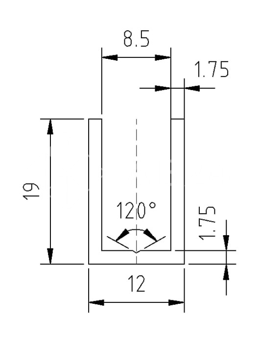
П-образный алюминиевый профиль FDPA-51.22, размером 19х12х1.75 мм для стекла 8 мм матовый. Профиль предназначен для крепления стекол душевых кабин к полу и стенам. Опорный профиль изготовлен из высококачественного алюминия с матовой брашированной поверхностью. В нашем ассортименте также представлены профили и заглушки с отделкой других цветов: черный матовый, полированный алюминий, золото.
Размеры:
Дополнительные комплектующие (приобретаются отдельно):
⚠ Внимание! П-образный профиль FDPA-51.22 не имеет резинового уплотнителя! Вместо уплотнителя при монтаже используется силиконовый герметик (санитарный герметик для душевых).